- МодельLifan 188F-V(вал конус 54,45мм для генератора) 13лс
- Артикулfp015457
- ПроизводительLifan
- Типдвигатель
- Двигательбензиновый
- Мощность двигателя (Вт)9560
- Тип двигателя внутреннего сгораниячетырехтактный
- Рабочий объём двигателя (см3)389
- Пуск двигателяручной
- Все характеристики
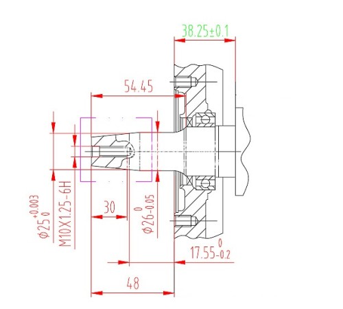
Бензиновый двигатель Lifan 188F-V 13 л.с. предназначен для установки на генераторы. Вал расположен горизонтально и имеет конусообразную форму. Вынос коленвала 54,45мм. Отсутствие топливного бака позволяет разместить двигатель в уже имеющейся конструкции генератора.
Двигатель сделан из качественных материалов, что позволяет его использовать длительное время с высокими нагрузками. Запуск двигателя в данной модели производится вручную. Также здесь установлен двойной фильтрующий элемент.
Lifan 188F - это мощный и надежный двигатель, предназначенный для использования в различных бытовых и коммерческих устройствах. Он обладает высокой производительностью и отличной эффективностью, что делает его идеальным выбором для выполнения самых требовательных задач.
Lifan 188F оснащен надежным одноцилиндровым 4-тактным двигателем с объемом 389 кубических сантиметров. Это гарантирует достаточную мощность для выполнения широкого спектра задач.
Максимальная выходная мощность этого двигателя составляет 13 лошадиных сил (9,6 кВт) при 3600 оборотах в минуту. Этот двигатель имеет эффективную систему охлаждения, которая позволяет ему работать безопасно и надежно в различных условиях.
Он также оснащен системой автоматической смазки, что обеспечивает долгий срок службы и минимизирует необходимость в обслуживании.
Lifan 188F обладает простой системой пуска, что делает его легким в использовании для всех. Этот двигатель универсальный и может использоваться в различных устройствах, включая генераторы. С Lifan 188F вы получаете надежность, мощность и эффективность в одном компактном пакете.
Благодаря их превосходным характеристикам и высокому качеству сборки, двигатели Lifan пользуются хорошей репутацией во всем мире. Если вы ищете мощный и надежный двигатель для своих потребностей, Lifan 188F - отличный вариант для вас.
Комплектация:
Двигатель
Инструкция
Гарантийный талон
Срок гарантии: 24 мес.
Производитель: Lifan lndustry (Group) Co., Ltd. Lifan Mansion, No.16, FengXi Road, Caijiagang Town, Beibei district, Chongqing, China
Сервисный центр: ООО «Компания АгроМотоЦентр», г. Минск, ул.Жиновича, 20-156
Нет отзывов о данном товаре.
Основные
-
Типдвигатель
-
Двигательбензиновый
-
Мощность двигателя (Вт)9560
-
Мощность двигателя в л.с. (л.с.)13
Двигатель
-
Тип двигателя внутреннего сгораниячетырехтактный
-
Рабочий объём двигателя (см3)389
-
Пуск двигателяручной
-
Выходной валконический
-
Диаметр выходного вала (мм)19-28
-
Диаметр цилиндра (мм)88
-
Количество цилиндров1
-
Максимальный крутящий момент (Нм)23
-
Объем масляного картрера (л)1.1
-
Охлаждениевоздушное
-
Расположение коленвалагоризонтальное
-
Удельный расход топлива (г/кВт*ч)374
-
Ход поршня (мм)64
-
ЭлектростартерНет
Размеры и вес
-
Вес (кг)28
-
Высота (мм)395
-
Длина (мм)545
-
Ширина (мм)455
