- МодельKP460-R (сцепление и редуктор 2:1) 20лс
- Артикулfp015444
- ПроизводительLifan
- Типдвигатель
- Двигательбензиновый
- Мощность двигателя (Вт)15000
- Катушка освещения (А)Нет
- Редуктор2:1, сцепление
- Тип двигателя внутреннего сгораниячетырехтактный
- Все характеристики
Бензиновый двигатель Lifan KP460-R разработан для установки на мототехнику различного уровня. Двигатель хорошо подходит для установки на мотобуксировщики (мотособаки), снегоходы, болотоходы, вездеходы, картинги, лодочные моторы, мотопомпы и пр. технику.
Редуктор понижающий 2:1 с центробежным сцеплением. Двигатель создан на базе всем известного и зарекомендовавшего себя мотора 192F-2R, только с более жестким отношением к изготовлению деталей и проверке качества.
Мощность двигателя увеличена за счет использования доработанного карбюратора и других деталей. В старых инструкциях по эксплуатации данные о мощности могут отличаться, т.к. со временем технология производства была сильно усовершенствована.
Цветовая гамма моторов может отличаться, в зависимости от страны назначения, куда поступает двигатель. Поставляется с понижающим редуктором 2:1 и автоматическим сцеплением
Преимущества серии моторов Lifan KP:
- Коленчатый вал из кованой легированной стали
- Система принудительной смазки KP460- обеспечивает стабильную работу двигателя.
- Поршневое кольцо из нержавеющей стали.
- Усовершенствованный балансировочный вал обеспечивает долгую стабильную работу двигателя.
- Покрытый алюминием воздуховод позволяет избежать потери мощности благодаря эффективному охлаждению.
- Мягкая, удобная и прочная резиновая рукоятка стартера.
- Повышенная прочность шатуна со втулкой вкладыша.
- Двойная выхлопная труба в глушителе увеличенного размер, что позволяет значительно снизить уровень шума
Комплектация:
Двигатель
Инструкция
Гарантийный талон
Срок гарантии: 24 мес.
Производитель: Lifan lndustry (Group) Co., Ltd. Lifan Mansion, No.16, FengXi Road, Caijiagang Town, Beibei district, Chongqing, China
Сервисный центр: ООО «Компания АгроМотоЦентр», г. Минск, ул.Жиновича, 20-156
Нет отзывов о данном товаре.
Основные
-
Типдвигатель
-
Двигательбензиновый
-
Мощность двигателя (Вт)15000
-
Мощность двигателя в л.с. (л.с.)20
Двигатель
-
Катушка освещения (А)Нет
-
Редуктор2:1, сцепление
-
Тип двигателя внутреннего сгораниячетырехтактный
-
Рабочий объём двигателя (см3)460
-
Пуск двигателяручной
-
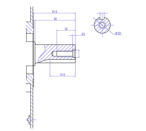
Диаметр выходного вала (мм)22
-
Диаметр цилиндра (мм)92
-
Длина вылета выходного вала (мм)60
-
Ёмкость топливного бака (л)6.5
-
Количество цилиндров1
-
Максимальный крутящий момент (Нм)32
-
Объем масляного картрера (л)1.1
-
Охлаждениевоздушное
-
Расположение коленвалагоризонтальное
-
Удельный расход топлива (г/кВт*ч)370
-
Ход поршня (мм)69
-
Частота вращения холостого хода (об/мин)1350 (+/-50) (800 +/-50)
-
ЭлектростартерНет
Размеры и вес
-
Вес (кг)44
-
Высота (мм)440
-
Длина (мм)403
-
Ширина (мм)449
